
離心泵的揚程計算是選擇泵的重要依據,這是由管網系統的安裝和操作條件決定的。計算前應首先繪制流程草圖,平、立面布置圖,計算出管線的長度、管徑及管件型式和數量。
一般管網如下圖所示,(更多圖例可參考化工工藝設計手冊)。
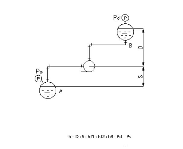
D——排出幾何高度,m;
取值:高于泵入口中心線:為正;低于泵入口中心線:為負;
S——吸入幾何高度,m;
取值:高于泵入口中心線:為負;低于泵入口中心線:為正;
Pd、Ps——容器內操作壓力,m液柱(表壓);
取值:以表壓正負為準
Hf1——直管阻力損失,m液柱;
Hf2——管件阻力損失,m液柱;
Hf3——進出口局部阻力損失,m液柱;
h ——泵的揚程,m液柱





管網局部阻力計算

常用管件和閥件底局部阻力系數
